本文へスキップ
東亜フレックス株式会社はフレキシブルホースを専門とする総合会社です。
東亜フレックス株式会社
TEL.
06-6584-7652
〒550-0027 大阪府大阪市西区九条1丁目6番11号
スーパーロック/STUBチューブ
stub_tube_connector
継手構造
ユニオン
コネクター
エルボー
ティー
STUBチューブ
ANチューブ
O-リングシール
溶接エンド
プラグ&キャップ
スペアーパーツ
STUBチューブ カタログ
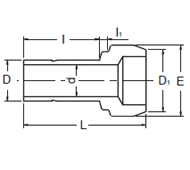
STUBチューブ - stub_tube_connector
SR
レジューサー
SBR
バルクヘッド・レジューサー
SMA
おす・アダプター
SFA
めす・アダプター
SPC
ポート・コネクター
SRPC
レデューシングポートコネクター
SFTC
フランジ・ラップチューブ・コネクター
このページの先頭へ
ナビゲーション
トップページ
フレキシブルチューブ
テフロンフレキ
ゴム製フレキシブルジョイント
金属製伸縮継手
高水密性管継手
kana PAGE
BIOFRAX (生体溶解性繊維)
LPG/LNGホース(コンポジット)
カムアームカップリング
カプラー(オートカップリング)
保温・断熱材料
防火・耐火材料
電気絶縁材料
変圧器部品
バナースペース
会社概要
問い合わせ
図面
東亜フレックス株式会社
〒550-0027
大阪府大阪市西区九条1丁目6番11号
TEL 06-6584-7652
FAX 06-6584-7686